欢迎光临本站
设为首页 | 收藏本站
公司主营:贺尔碧格 hoerbiger 哈威 hawe 机床销售 机床配件 进口液压阀 数控系统  折弯机配件 液压接头
13395324919 微信同号
企业微信二维码
新闻详情

射流管伺服阀(替代Parker 410/Moog 771)产品介绍

发表时间:2026-01-26 17:40作者:青岛金环机电设备有限公司

射流管伺服阀(替代Parker 410/Moog 771)产品介绍

在液压控制领域,Parker 410与Moog 771系列射流管伺服阀凭借其稳定性能成为行业标杆。我司深耕射流管技术研发与制造,现已掌握完全成熟的核心技术,推出可精准替代Parker 410及Moog 771的射流管伺服阀产品,通过定制化加工工艺与严苛性能管控,实现功能、适配性与可靠性的全面匹配,为各行业液压控制系统提供高效替代方案。

精准参数配置,性能媲美原机

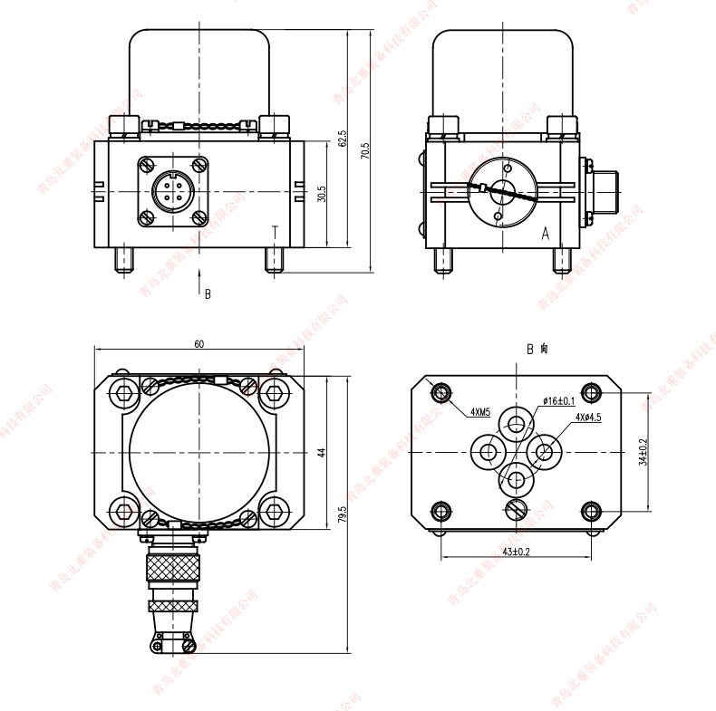
产品采用无喷嘴挡板式射流管结构设计,搭配轴向重叠双线圈配置,轴向重叠量可在0—+1.5%范围内精准调控,兼顾控制精度与结构稳定性,重量仅不足0.5kg,较同类产品更具轻量化优势,适配各类紧凑安装场景。

静态性能指标

产品静态性能表现优异,额定电流为40mA,线圈电阻稳定在80Ω,确保电气信号的精准转换与传输。额定压力达21MPa,使用压力范围覆盖0.5-31.5MPa,可适配多工况压力需求;额定流量(Qn)为19L/min,满足中高流量控制场景。在控制精度上,迟滞≤4%、线性度≤7.5%、对称性≤10%、零偏≤2%,分辨率更是低至≤0.25%,实现微米级精准控制。内部泄漏量严格控制在≤3%Qn+0.45 L/min,泄漏量极低,有效提升系统能效;压力增益≥30%Pn/1%/In,确保压力响应的快速性与稳定性。

动态响应能力

动态性能是伺服阀的核心竞争力,本品幅频特性(-3db)≥70Hz,相频特性(-90°)≥90Hz,具备快速的信号响应与动态调节能力,可精准捕捉瞬时控制指令,适用于对响应速度要求严苛的自动化控制场景,性能完全对标Parker 410与Moog 771原款产品。

无缝适配设计,替代成本最低化

产品采用通用化安装设计,完全兼容Parker 410与Moog 771的安装尺寸与接口标准,无需对原有液压系统进行结构改造,可直接原位替换。针对不同行业的特殊工况需求,我司提供全方位定制加工服务,从线圈参数、流量压力适配到结构优化,均可根据客户实际应用场景调整,实现从产品选型到安装调试的全流程适配支持。

成熟技术支撑,品质全程可控

依托多年射流管伺服阀研发经验,我司建立了从核心部件加工到成品检测的全链条质量管控体系。采用高精度精密加工设备制造关键部件,搭配无喷嘴挡板式射流管结构与轴向重叠双线圈设计,有效提升产品抗干扰能力与使用寿命,确保在高温、高压、高振动等恶劣工况下稳定运行。每台产品出厂前均经过严格的性能测试,逐一核验静态、动态指标,确保交付产品的一致性与可靠性。

广泛应用场景,赋能产业升级

本品可广泛应用于工业自动化、航空航天、船舶设备、冶金机械、电力能源等多个领域,适配数控机床、工业机器人、舵机控制系统、轧钢机液压系统等各类设备,为客户提供高性价比的替代方案,助力企业降低设备维护成本、提升生产效率,实现液压控制系统的升级优化。

我司始终以技术创新为核心,持续优化射流管伺服阀产品性能,凭借成熟的定制加工能力与完善的售后服务,为全球客户提供Parker 410与Moog 771射流管的优质替代选择。欢迎各界客户垂询合作,携手打造高效、稳定的液压控制解决方案。


分享到: